| Availability: | |
|---|---|
| Quantity: | |
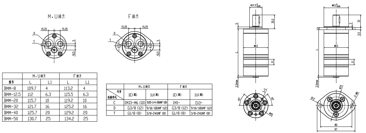
Product Outline Drawing:
Product Specifications:

Product Features:
The BMM series cycloidal hydraulic motor is a miniature axial flow motor that can be installed and used in very small spaces. It features an embedded rotor-stator pair, a 4/5 tooth structure, compact design, lightweight, and high power density. Its characteristics include:
* Advanced rotor-stator parameter design, low starting pressure, higher efficiency, good stability, and smooth operation.
* The shaft seal can withstand high pressure and can be used in series or parallel.
* Advanced structural design, with high power density.
Product Advantages:
1. Intermittent working pressure refers to entry working pressure, while continuous working pressure refers to working pressure differential.
2. The motor should not operate simultaneously at maximum pressure and maximum speed.
3. It is recommended to use 68# anti-wear hydraulic oil, with a viscosity of 37-73cSt and cleanliness of IS018/13.
4. The cycloid motor should not operate more than 10% of the time per minute under intermittent working conditions.
5. The maximum working oil temperature is 80°.
6. Before the motor operates at full load, it should be run in for 1 hour at less than 40% of the maximum working pressure.
7. The motor allows a maximum back pressure of 10MPa, but it is recommended not to exceed 5MPa; if exceeded, an external oil drain pipe should be connected.
content is empty!