Blogs
You are here: Home » Blogs

Blogs and Events

  • 2025-11-08

    The Reasons for The Increase in Oil Temperature in The Custom Hydraulic System
    Measures to ensure the normal operating temperature of the customized hydraulic system: 1. When the set value of the pressure control valve is too high, the working pressure should be reduced to minimize energy loss. 2. When the hydraulic pump and its connection points leak, causing volume loss and resulting in heat generation, the connections should be tightened and the seals strengthened. 3. When the fuel tank volume is small and the heat dissipation conditions are poor, the fuel tank volume should be appropriately increased. In cases where necessary, a cooler should be installed.
  • 2025-11-08

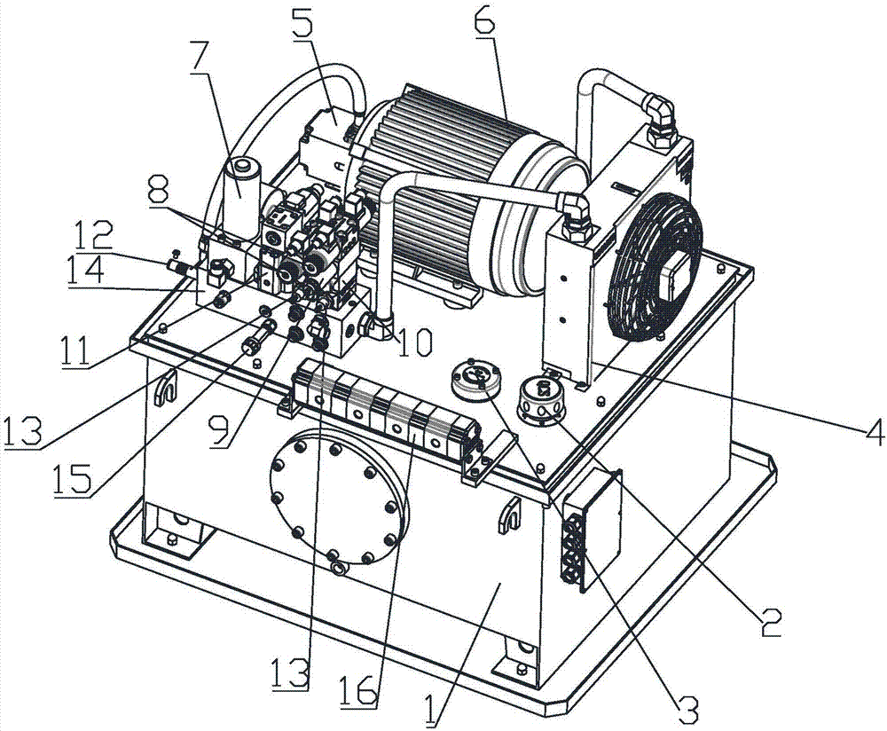
    The Design Process of Custom Hydraulic Systems
    Customized hydraulic systems can be classified into transmission systems and hydraulic control systems based on their operational characteristics, and into open systems and closed systems according to the circulation mode of the fluid. The design of a hydraulic system generally refers to the design of a hydraulic transmission system. This is because there is no essential difference in structure and working principle between hydraulic transmission systems and hydraulic control systems.
  • 2025-11-06

    Common Faults of Gear Oil Pumps in Customized Hydraulic Systems And Several Main Methods for Their Elimination
    Common Faults of Gear Oil Pumps in Customized Hydraulic Systems and Several Main Methods for Their Elimination The common faults and troubleshooting methods of hydraulic gear oil pumps during the operation of the hydraulic system mainly consist of the following 6 points
  • 2025-11-06

    The Importance of Oil Cleanliness in Hydraulic Systems
    In order to extend the service life of hydraulic components and ensure the reliable operation of the hydraulic system, it is a practical and feasible approach to control the contamination level of the hydraulic oil within a certain limit. The pollution control of hydraulic oil mainly focuses on two aspects: one is to prevent contaminants from entering the hydraulic system; the other is to remove the contaminants that have already entered the system.
  • 2025-11-06

    Introduction To Custom Hydraulic Systems: What To Do When There Are Abnormal Noises in The Hydraulic System?
    Let's analyze the causes and solutions of noise generation in the hydraulic system from four aspects. 1.Air intrusion 2. Poor quality of the hydraulic pump or hydraulic motor 3. Improper adjustment of the directional valve 4. The relief valve is unstable.
  • 2025-11-04

    How Should The Pipelines in The Hydraulic Station System Be Installed Properly?
    When designing and laying out pipelines in the hydraulic station system, one should first base it on the hydraulic schematic diagram and comprehensively consider all the connected components, hydraulic systems, three-way joints, and flanges required. The pipeline materials used must have clear initial basis based on the original data. For pipelines with unknown data, they are not allowed to be used.
  • Total 9 pages  Go to Page
  • Go
MDP offers high-quality hydraulic products (valves, pumps, etc.) and one-stop solutions (standardized /customized) for key industries, via full-cycle quality control.

Quick Links

Products

Sign Up For Our Newsletter

Copyright © 2026 Qingdao MDP Hydraulics Equipment Technology Co., Ltd. All Rights Reserved.  Sitemap I  Privacy Policy