| Availability: | |
|---|---|
| Quantity: | |
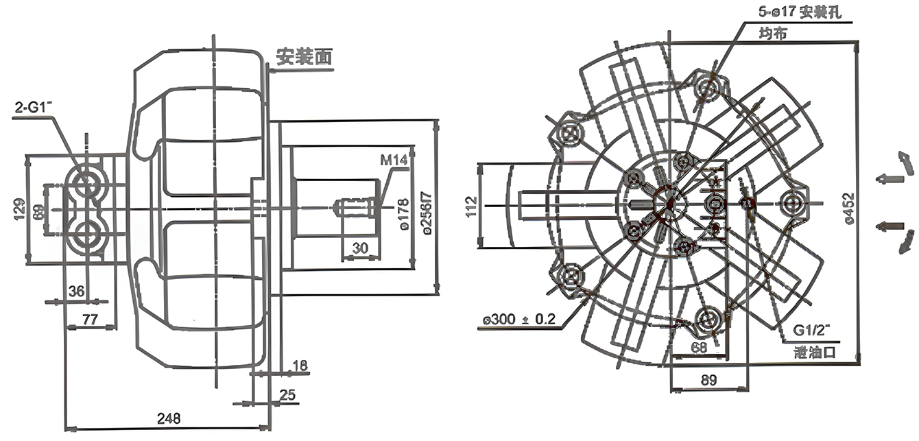
Product Outline Drawing:

Product Specifications:

Product Features:
Low noise output due to eccentric crankshaft and five or seven pistons structure with lower vibration frequency characteristics The high starting torque and low speed stability resulting in the smooth running of the motor at low speed. Strong reliablity and less leakage due to the patented plate compensational oil distributor design. Special sealing ring between piston and piston cover guarantees high volumetric efficiency;
High mechanical eficiency due to the roller design between the crankshaft and connecting rod.
With the reversible direction of rotation, the output shaft can endure certain external radial and axial forces.
High power-mass ratio, a relatively small volume and weight.
Range of application
The motor has a wide range of displacement and can be widely used in hydraulic systems inconstruction machinery, marine machinery, agricultural machinery transportation, oil mining. machinery manufacturing and other industries.
Product Advantages:
The Intermot Five-Star Motor NHM series uses advanced manufacturing technologies and materials to ensure stability during long-term operation. Whether in high temperatures, low temperatures, or harsh working environments, the Intermot Five-Star Motor can maintain efficient operation. In addition, the Intermot Five-Star Motor NHM series also features low noise and low vibration, which not only enhances the comfort of the operators but also reduces the impact on the surrounding environment.
The NHM hydraulic motor models are as follows:
NHM1-63 NHM1-80 NHM1-100 NHM1-125 NHM1-160 NHM2-100 NHM2-150 NHM2-175 NHM2-200 NHM2-250 NHM2-280 NHM3-175 NHM3-200 NHM3-250 NHM3-300 NHM3-350 NHM3-400 NHM3-450 NHM3-500 NHM6-400 NHM6-450 NHM6-500 NHM6-600 NHM6-700 NHM6-750 NHM6-800 NHM6-850 NHM6-900 NHM8-600 NHM8-700 NHM8-800 NHM8-900 NHM8-1000 NHM11-700 NHM11-800 NHM11-900 NHM11-1000 NHM11-1100 NHM11-1200 NHM11-1300 NHM11-1400 NHM16-1400 NHM16-1600 NHM16-1800 NHM16-2000 NHM16-2400 NHM31-2500 NHM31-2800 NHM31-3000 NHM31-3150 NHM31-3500 NHM31-4000 NHM31-5000 NHM100-6300 NHM100-8000 NHM100-10000 NHM100-13000 NHM160-12500 NHM160-16000
content is empty!