| Availability: | |
|---|---|
| Quantity: | |
SV08-20
Product operation:
When de-energized, the SV08-20 acts as a check valve, allowing flow from 1 to 2.while blocking flow from 2 to 1.
When energized, the cartridge's poppet lifts to open the 2 to 1 flow path. In this mode, flow from 1 to 2 is severely restricted. lf this path is required, see model SV08-22.
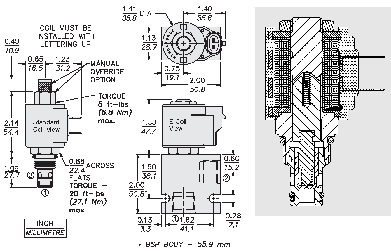
Operation of Manual Override Option: To override, push button in, twist counter-clockwise 180°, and release. In this position, the valve will remain open. To return to normal operation, push button in, twist clockwise 180°, and release. Over ride will be detented in this position.
Product Outline Drawing:

Product Specifications:
Pressure rating | 207 bar (3000 psi) | Proof pressure | 241 bar (3500 psi) |
Burst pressure | 620 bar (9000 psi) | Flow rating | See performance graph |
Maximum internal leakage | 3 drops/min | Storage temperature | -40 to 70 °C (-40 to 160 °F) |
Ambient temperature | -40 to 70 °C (-40 to 160 °F) | Corrosion protection | 960 hr salt spray per ASTM b117 |
Unit weight | 0.10 kg (0.22 lb) | Internal wetted surface area | 83 cm² (12.8 in²) |
Product Features:
1. Continuous-duty rated coil.
2. Hardened seat for long life and low leakage.
3. Optional coil voltages and terminations.
4. Cartridges are voltage interchangeable.
5. Unitized, molded coil design.
6. Manual override option.
7. Optional waterproof E-Coils rated up to lP69K.
8. Industry common cavity.
9. Compact size.